Bellows Operated with threaded ports
STEAM REGULATORS
Bellows Operated with threaded ports, PN15, DN 20 - 40
FEATURES
- Ruggedly built Bellows operated Steam Regulator, particularly recommended for use with steam, oil, superheated water, corrosive fluids and non-flammable gas.
- Regell Steam Rerulators were specially designed for use in curing presses in tire and rubber industry.
- The Steam Regulators are used for automatic pressure regulation of steam, air or nonflammable gases. For this purpose a connection line for controlling pressure is located downstream of the valve. The output pressure can be varied quickly and easily by changing the pilot air pressure.
- High sealing effect provided through the Graphite reinforced PTFE Soft Disc Ring.
- Enclosed pistons, seals and springs are protected from dirt.
- Valve for use at high ambient temperatures (up to 180°C).
PRODUCT ADVANTAGES:
Automatic Presure regulation
Very Compact and Robust Design
Long Life
High sealing effect
Easy Maintenance
Energy Saving
Automatic Presure regulation
Very Compact and Robust Design
Long Life
High sealing effect
Easy Maintenance
Energy Saving
GENERAL INFORMATION:
scrollable table
| Maximum operating pressure: | 15 bar |
| Temperature range: | 0 °C to + max. 210 °C |
| Operating fluids: | Steam, Nonflammable Gases |
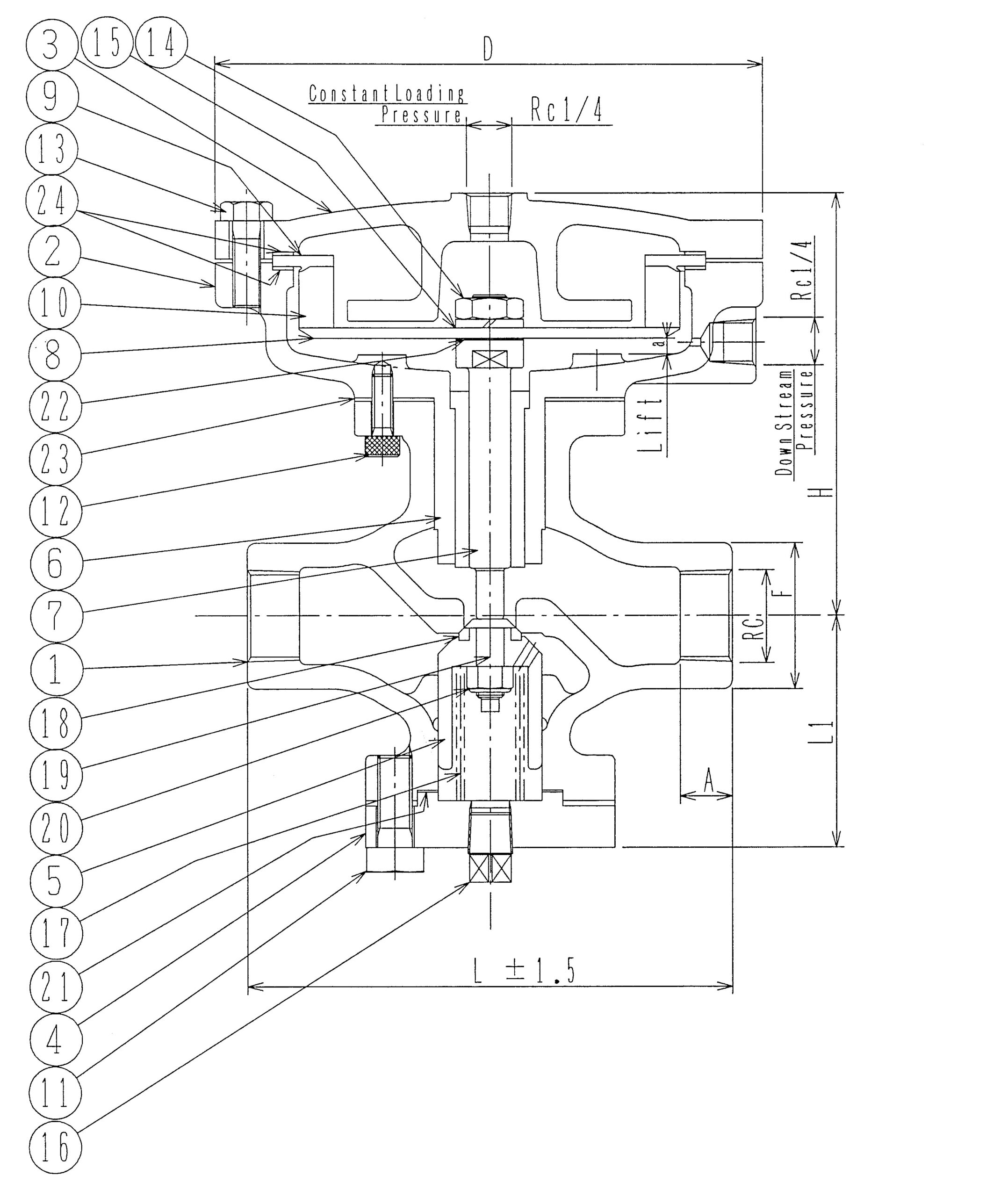
Model Selection / Dimensions:
| Model Number | DN | Rc | L | A | F | H | L1 | D | Lift | Weight, kg |
| SRV/B-BSPT-20A | 20 | ¾” | 140 | 15 | 42 | 120 | 67 | 158 | 3,5 | 7,2 |
| SRV/B-BSPT-25A | 25 | 1″ | 165 | 17 | 50 | 136 | 79 | 175 | 5 | 10 |
| SRV/B-BSPT-32A | 32 | 1¼” | 203 | 18 | 65 | 203 | 97 | 300 | 8 | 30,2 |
| SRV/B-BSPT-40A | 40 | 1½” | 203 | 18 | 65 | 203 | 97 | 300 | 8 | 30,2 |
scrollable table
| No. | Part Name | Materials | No. | Part Name | Materials |
| 1 | Body | SCS13 = 1.4308 | 13 | Bolt | SS400 |
| 2 | Cylinder Box | FCD450 = GGG-40.3 | 14 | Nut | SS400 |
| 3 | Cylinder Cover | FCD450 = GGG-40.3 | 15 | Spring Washer | SWRH4 |
| 4 | Bottom Cover | SS400 | 16 | Plug | S25C = 1.1158 |
| 5 | Disc | SUS304 = 1.4301 | 17 | Spring | SUS304-WPA |
| 6 | Rod Guide | C3602 – Brass | 18 | Disc Ring | Teflon (PTFE) |
| 7 | Center Rod | SUS403 = 1.4000 | 19 | Disc Ring Set Bolt | SUS403 = 1.4000 |
| 8 | Seal Plate | SUS304 = 1.4301 | 20 | U-Nut | SUS304 = 1.4301 |
| 9 | Seal Plate | SUS304 = 1.4301 | 21 | Gasket | V/#562 |
| 10 | Bellows | SUS304 = 1.4301 | 22 | Rod Gasket | V/#562 |
| 11 | Bolt | S25C = 1.1158 | 23 | Cylinder Box Gasket | V/#1500 |
| 12 | Cap Screw | SCM435 | 24 | Bellows Gasket | V/#1500 |
