LIFT CHECK VALVES with flanges
LIFT CHECK VALVES
with flanges, PN32, DN 15 - 40
FEATURES
- Ruggedly built valve, particularly recommended for use with steam, oil, superheated water, corrosive fluids and non-flammable gas
- These Check Valves were specially designed for use in curing presses in tire and rubber industry.
- Check Valves opens easily thanks to differential surface pressure between input and output side.
- Stainless steel body.
- Allowable backpressure: up to 32 bar.
- Valve for use at high ambient temperatures (up to 180°C).
PRODUCT ADVANTAGES:
Very Compact
High sealing effect
Non-Corrosive Materials
Robust Design
Universally for all Mediums
Easy Maintenance
Long Life
Energy Saving
GENERAL INFORMATION:
scrollable table
| Operating pressure: | min. 0,1 bar – max. 32 bar |
| Temperature range: | – 30 °C to + max. 205 °C |
| Operating fluids: | Steam / Saturated Steam, Superheated Water, Gases, Vacuum |
Model Selection / Dimensions:
| Model Number | DN | Rc / BSPT | L | H | Lift | Weight, kg |
| YC-DIN-15A | 15 | ½” | 178 | 68 | 8 | 3,2 |
| YC-DIN-20A | 20 | ¾” | 178 | 68 | 8 | 3,3 |
| YC-DIN-25A | 25 | 1″ | 203 | 68 | 8 | 4,9 |
| YC-DIN-32A | 32 | 1¼” | 216 | 89 | 11 | 7,0 |
| YC-DIN-40A | 40 | 1½” | 229 | 89 | 11 | 7,2 |
scrollable table
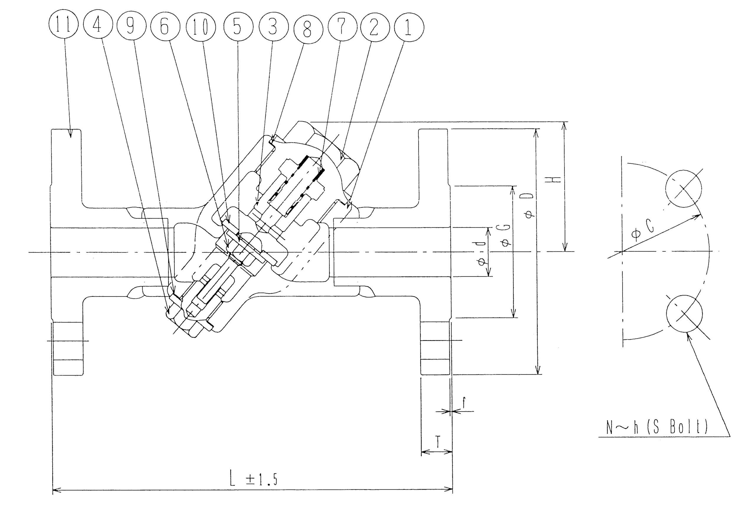
| No. | Part Name | Materials | No. | Part Name | Materials |
| 1 | Body | SCS13 = 1.4308 | 11 | Flange | S25C = 1.1158 |
| 2 | Cover | SCS13 = 1.4308 | 12 | ||
| 3 | Disc | SUS403 = 1.4000 | 13 | ||
| 4 | Plug Guide | C3602 – Brass | 14 | ||
| 5 | Disc Seat Washer | SUS403 = 1.4000 | 15 | ||
| 6 | Disc Nut | SUS304 = 1.4301 | 16 | ||
| 7 | Spring | SUS304-WPB | 17 | ||
| 8 | Cover Gasket | V/#562 | 18 | ||
| 9 | Plug Gasket | V/#562 | 19 | ||
| 10 | Disc Seat | V/#7160 | 20 |
