KNUCKLE JOINTS (RC THREAD TYPE)
KNUCKLE JOINTS (RC THREAD TYPE)
V NJ Series
FEATURES
- Ruggedly built valve, particularly recommended for use with cold water.
- Regell piston Valves were specially designed for use in curing presses in tire and rubber industry.
- Valves Series RPV-W are using to operate water hydraulic cylinder.
- Replacing a piston seal is considerably easier and quicker then exchanging a diaphragm on conventional diaphragm valves.
- Enclosed pistons, seals and springs are protected from dirt.
- There are two types of valves: single acting and double acting.
- Valve for use at high ambient temperatures (up to 180°C).
- The valves can be mounted in any position without affecting operation.
GENERAL INFORMATION:
scrollable table
| Fluid | Steam, Oil, Hot&CoId Water, Nonflammable Gas |
| Operating pressure | max 3.2 MPA(32kgf/cm2:460PSI) |
| Temperature: | MAX 205 C |
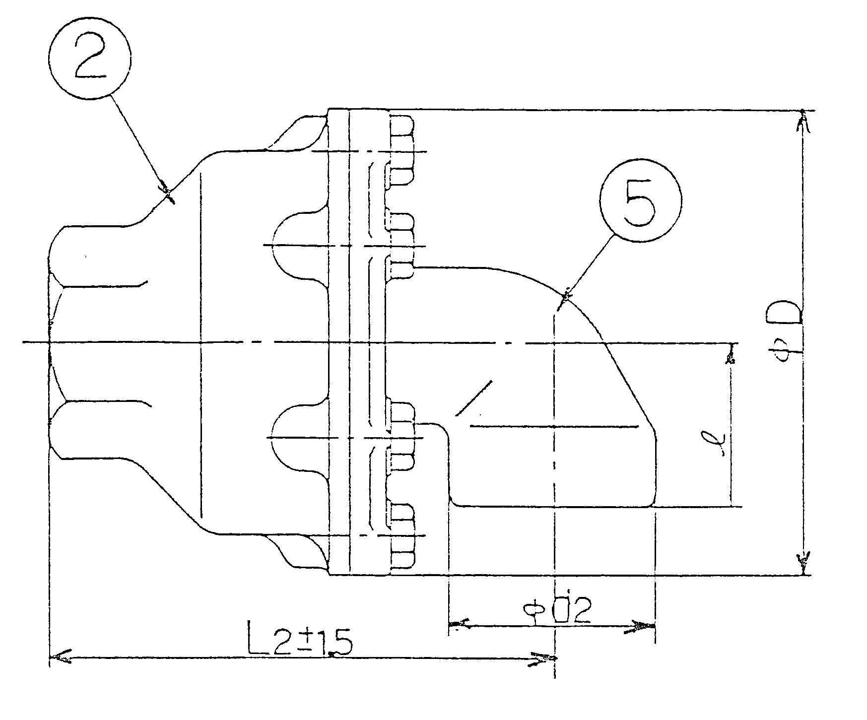
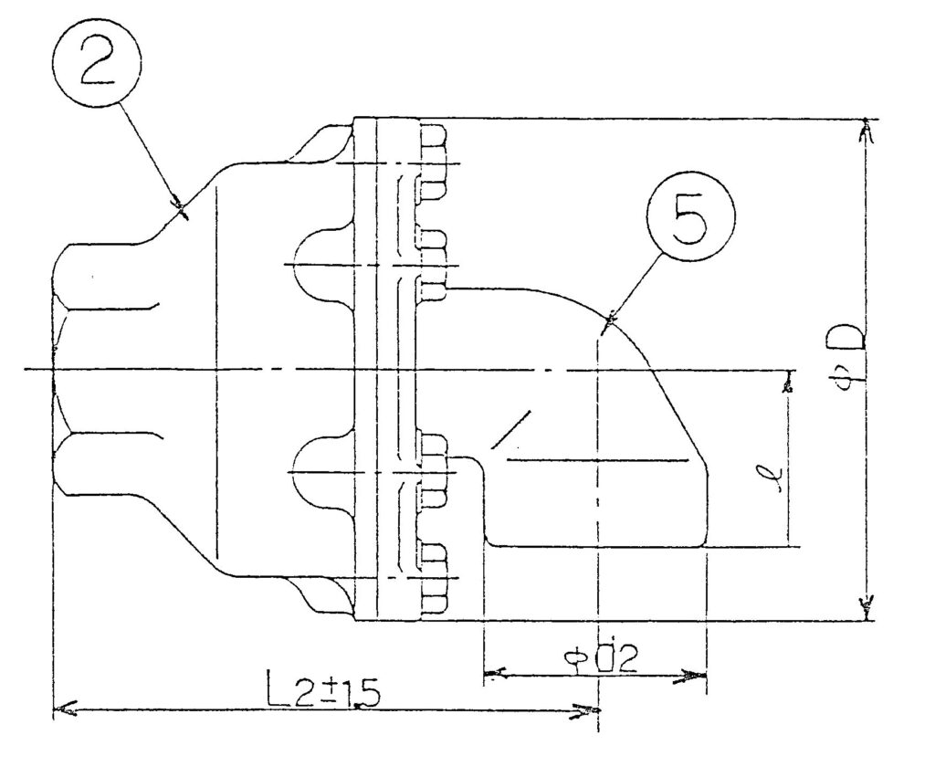
Model Selection / Dimensions:
| Size | Rc | dl | d2 | Ll | 1 | ||||
| 15A | 1/2B | 13 | 32 | 84 | 82 | 75 | 91 | 30 | 70 |
| 20A | 314B | 19 | 38 | 97 | 95 | 92 | 100 | 30 | 85 |
| 25A | 1B | 23 | 46 | 110 | 120 | 110 | 120 | 38 | 100 |
| 32A | 1114B | 30 | 58 | 120 | 145 | 136 | 45 | 118 | |
| 40A | 1112B | 36 | 64 | 140 | 150 | 140 | 150 | 55 | 126 |
