Series RPV-W
PISTON VALVES
pressure operated 4- Way, Single and Double Acting with threaded ports, PN30, DN 8 - 20
FEATURES
- Ruggedly built valve, particularly recommended for use with cold water.
- Regell piston Valves were specially designed for use in curing presses in tire and rubber industry.
- Valves Series RPV-W are using to operate water hydraulic cylinder.
- Replacing a piston seal is considerably easier and quicker then exchanging a diaphragm on conventional diaphragm valves.
- Enclosed pistons, seals and springs are protected from dirt.
- There are two types of valves: single acting and double acting.
- Valve for use at high ambient temperatures (up to 180°C).
- The valves can be mounted in any position without affecting operation.
PRODUCT ADVANTAGES:
Robust Design
Easy to change single acting to double acting
Long Life
Energy Saving
Non-Corrosive Materials
Easy Maintenance
Robust Design
Easy to change single acting to double acting
Long Life
Energy Saving
Non-Corrosive Materials
Easy Maintenance
GENERAL INFORMATION:
scrollable table
| Maximum operating pressure: | 30 bar |
| Temperature range: | to max. + 65° C |
| Pilot pressure: | 2,5 – 3,5 bar |
| Operating fluids: | cold water |
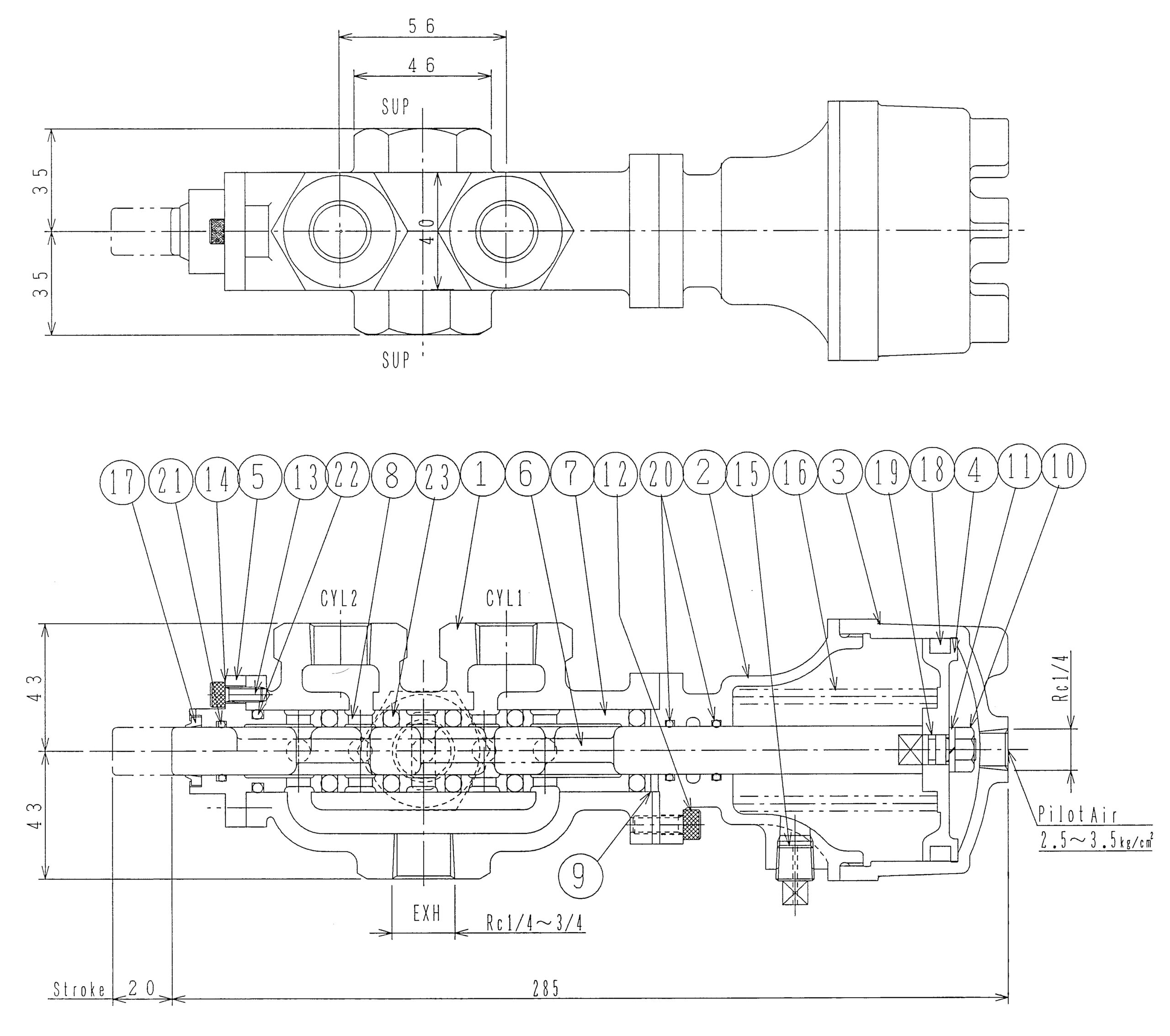
Model Selection / Dimensions:
| Model Number | Rc / BSPT | Weight, kg | ||
| Single Acting | Double Acting | Single Acting | Double Acting | |
| P4WS-BSPT-08A | P4WD-BSPT-08A | ¼” | 4,7 | 4,6 |
| P4WS-BSPT-10A | P4WD-BSPT-10A | ⅜” | 4,7 | 4,6 |
| P4WS-BSPT-15A | P4WD-BSPT-15A | ½” | 4,7 | 4,6 |
| P4WS-BSPT-20A | P4WD-BSPT-20A | ¾” | 4,7 | 4,6 |
scrollable table
| No. | Part Name | Materials | No. | Part Name | Materials |
| 1 | Body | BC 2 – bronze | 16 | Spring | SUP6 |
| 2 | Cylinder | FCD450 = GGG-40.3 | 17 | Dust Seal | SUS304 + 7631 |
| 3 | Cylinder Cover | FCD450 = GGG-40.3 | 18 | O-Ring | V/#640 |
| 4 | Piston | FCD450 = GGG-40.3 | 19 | O-Ring | V/#640 |
| 5 | Lower Seat Flange | BC 2 – bronze | 20 | O-Ring | V/#640 |
| 6 | Piston Rod | SUS304 = 1.4301 | 21 | O-Ring | V/#640 |
| 7 | Long Lantern Ring | C3602 – Brass | 22 | O-Ring | V/#640 |
| 8 | Lantern Ring | C3602 – Brass | 23 | O-Ring | V/#640 |
| 9 | Ring Washer | C3602 – Brass | 24 | ||
| 10 | Piston Rod Nut | S20C | 25 | ||
| 11 | Spring Washer | SWHR | 26 | ||
| 12 | Cap Screw | SCM435 | 27 | ||
| 13 | Cap Screw | SUS304 = 1.4301 | 28 | ||
| 14 | Spring Washer | SUS304 = 1.4301 | 29 | ||
| 15 | Plug | S25C = 1.1158 | 30 |
