FULL FLOW Normally Open with flanges
PISTON VALVES
pressure operated 2- and 3-Way, Normally Open with flanges, PN32, DN 8 - 40
FEATURES
- Ruggedly built valve, particularly recommended for use with steam, oil, superheated water, corrosive fluids and non-flammable gas.
- Seat rings, packing and piston seals can be easily exchanged. Replacing a piston seal is considerably easier and quicker then exchanging a diaphragm on conventional diaphragm valves
- Enclosed pistons, seals and springs are protected from dirt
- High-performance, self-adjusting, spring-loaded, maintenance-free packing, resistant to thermal shock
- Vacuum operation
- Stainless steel body.
- Allowable backpressure: up to 32 bar.
- Valve for use at high ambient temperatures (up to 180°C).
- The valves can be mounted in any position without affecting operation
PRODUCT ADVANTAGES:
Compact Design
Self-Regulating Packing
Non-Corrosive Materials
High sealing effect
Long Life
Universally for all Mediums
Easy Maintenance
High Performance
Robust Design
Compact Design
Self-Regulating Packing
Non-Corrosive Materials
High sealing effect
Long Life
Universally for all Mediums
Easy Maintenance
High Performance
Robust Design
GENERAL INFORMATION:
scrollable table
| Maximum operating pressure: | 32 bar |
| Temperature range: | – 30 °C to + max. 230 °C |
| Pilot pressure: | 2,5 – 3,5 bar |
| Operating fluids: | Steam / Saturated Steam, Superheated Water, Gases, Vacuum |
FLOW RATES – P3W Series:
| Model Number | Pipe Size | DN | Flow coefficient Kv | |||||||
| mixer | distributor | |||||||||
| 3 “ 2 | 1 “ 2 | 2 “ 3 | 2 “ 1 | |||||||
| m3/h | l/min | m3/h | l/min | m3/h | l/min | m3/h | l/min | |||
| NO – Normally Open | ||||||||||
| P3W-DIN1-10A-NO | ⅜” | 10 | 1,8 | 30 | 1,93 | 32,17 | 1,67 | 27,84 | 2,18 | 36,34 |
| P3W-DIN1-15A-NO | ½” | 15 | 3,47 | 57,85 | 3,5 | 58,35 | 3,46 | 57,68 | 3,6 | 60 |
| P3W-DIN1-20A-NO | ¾” | 20 | 7,06 | 117,7 | 5,31 | 88,52 | 7,33 | 122,19 | 5,13 | 85,52 |
| P3W-DIN1-25A-NO | 1″ | 25 | 13,9 | 231,7 | 9,2 | 153,36 | 10,73 | 178,87 | 9,63 | 160,53 |
| P3W-DIN1-32A-NO | 1¼” | 32 | 20,6 | 343,4 | 15,1 | 251,72 | 17,1 | 285,06 | 16,1 | 268,4 |
| P3W-DIN1-40A-NO | 1½” | 40 | 25,1 | 418,42 | 18,31 | 305,23 | 20,92 | 348,74 | 18,9 | 315,06 |
scrollable table
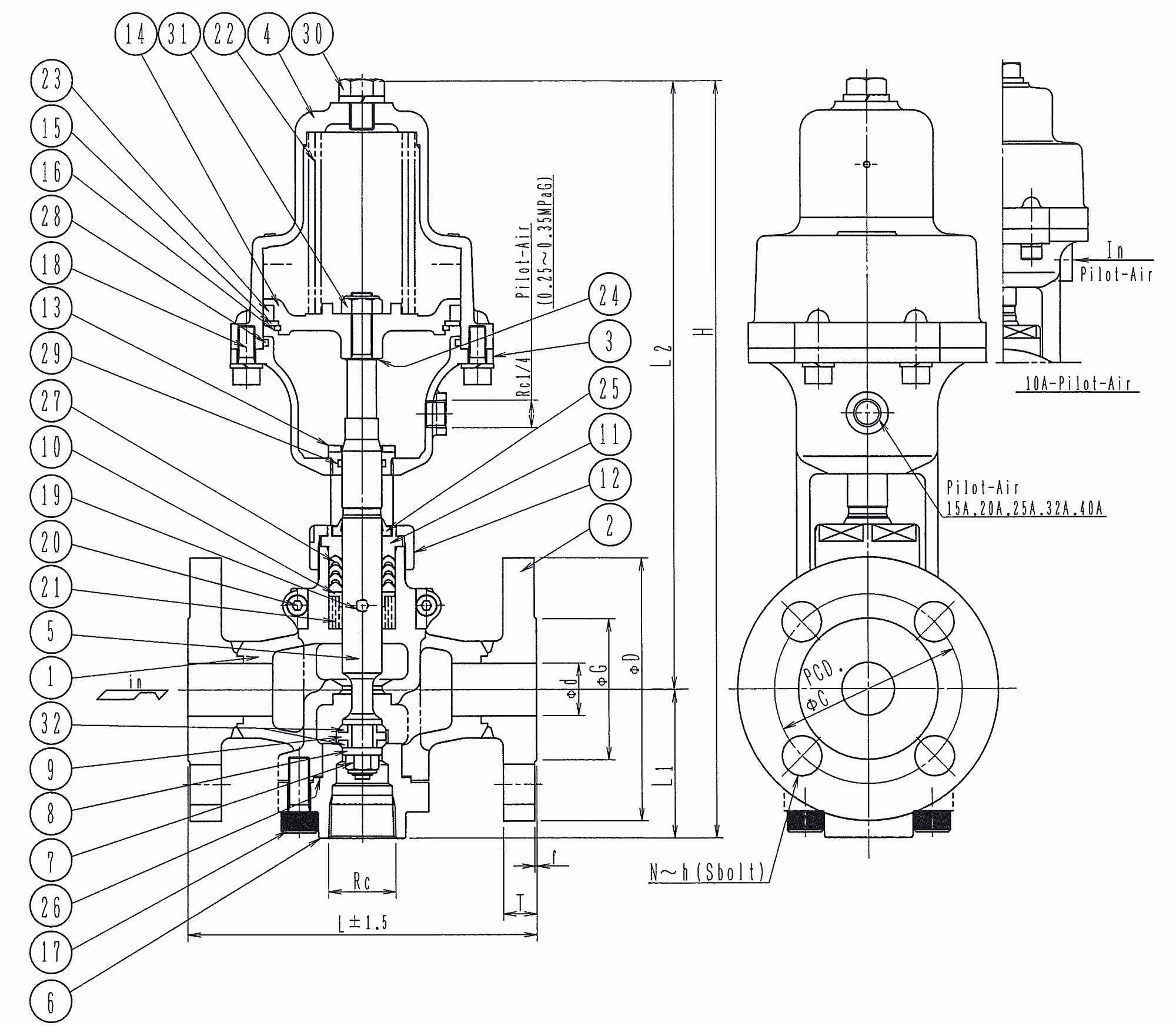
| No. | Part Name | Materials | No. | Part Name | Materials |
| 1 | Body | SCS13 = 1.4308 | 16 | Retaining Ring | S60CM |
| 2 | Flange | S25C = 1.1158 | 17 | Cap Screw | SUS304 = 1.4301 |
| 3 | Yoke Stand | FCD450 = GGG-40.3 | 18 | Cap Screw | SUS304 = 1.4301 |
| 4 | Cylinder | FCD450 = GGG-40.3 | 19 | Cap Screw | SUS304 = 1.4301 |
| 5 | Stem | SUS403 = 1.4000 | 20 | Cap Screw | SUS304 = 1.4301 |
| 6 | Lower Seat Flange | S25C = 1.1158 | 21 | Packing Spring | SUS304-WPB |
| 7 | U-Nut | SUS304 = 1.4301 | 22 | Spring | SUP6 |
| 8 | Guide Washer | SUS304 = 1.4301 | 23 | Piston Ring | Teflon (PTFE) |
| 9 | Disc Adapter | SUS304 = 1.4301 | 24 | Gasket | 562-1 |
| 10 | Ring Washer | C3602 – Brass | 25 | Dust Seal | SUS304 + 763-1 |
| 11 | Gland | C3602 – Brass | 26 | Lower Seat Gasket | 562-1 |
| 12 | Gland Nut | S25C = 1.1158 | 27 | Packing | 763-1 |
| 13 | Guide Bushing | C3602 – Brass | 28 | O-Ring | 640 |
| 14 | Piston | FCD450 = GGG-40.3 | 29 | O-Ring | 640 |
| 15 | Set Ring Plate | SS400 | 30 | Bolt | SUS304 = 1.4301 |
Model Selection / Dimensions:
scrollable table
| Model Number | DN | Rc | L | Flange Size (DIN-Flange) | L1 | L2 | H | Weight, kg | ||||||||
| 2-Way | 3-Way | D | C | G | T | f | Bolt | |||||||||
| N | h | S | ||||||||||||||
| P2W-DIN1-10A-NO | P3W-DIN1-10A-NO | 10 | ⅜” | 146 | 90 | 60 | 40 | 16 | 2 | 4 | 14 | M12 | 50 | 184 | 234 | 4,6 |
| P2W-DIN1-15A-NO | P3W-DIN1-15A-NO | 15 | ½” | 146 | 95 | 65 | 45 | 16 | 2 | 4 | 14 | M12 | 50 | 250 | 300 | 6 |
| P2W-DIN1-20A-NO | P3W-DIN1-20A-NO | 20 | ¾” | 146 | 105 | 75 | 58 | 18 | 2 | 4 | 14 | M12 | 66 | 291 | 357 | 9,3 |
| P2W-DIN1-25A-NO | P3W-DIN1-25A-NO | 25 | 1″ | 167 | 115 | 85 | 68 | 18 | 2 | 4 | 14 | M12 | 71 | 314 | 385 | 13,1 |
| P2W-DIN1-32A-NO | P3W-DIN1-32A-NO | 32 | 1¼” | 190 | 140 | 100 | 78 | 18 | 2 | 4 | 18 | M16 | 92 | 378 | 470 | 19,1 |
| P2W-DIN1-40A-NO | P3W-DIN1-40A-NO | 40 | 1½” | 190 | 150 | 110 | 88 | 18 | 3 | 4 | 18 | M16 | 92 | 378 | 470 | 19,8 |
