FULL FLOW Normally Closed with flanges
PISTON VALVES
pressure operated 2- and 3-Way, Normally Closed with flanges, PN32, DN 8 - 40
FEATURES
- Ruggedly built valve, particularly recommended for use with steam, oil, superheated water, corrosive fluids and non-flammable gas.
- Seat rings, packing and piston seals can be easily exchanged. Replacing a piston seal is considerably easier and quicker then exchanging a diaphragm on conventional diaphragm valves
- Enclosed pistons, seals and springs are protected from dirt
- High-performance, self-adjusting, spring-loaded, maintenance-free packing, resistant to thermal shock
- Vacuum operation
- Stainless steel body.
- Allowable backpressure: up to 32 bar.
- Valve for use at high ambient temperatures (up to 180°C).
- The valves can be mounted in any position without affecting operation
PRODUCT ADVANTAGES:
Compact Design
Self-Regulating Packing
Non-Corrosive Materials
High sealing effect
Long Life
Universally for all Mediums
Easy Maintenance
High Performance
Robust Design
Compact Design
Self-Regulating Packing
Non-Corrosive Materials
High sealing effect
Long Life
Universally for all Mediums
Easy Maintenance
High Performance
Robust Design
GENERAL INFORMATION:
scrollable table
| Maximum operating pressure: | 32 bar |
| Temperature range: | – 30 °C to + max. 230 °C |
| Pilot pressure: | 2,5 – 3,5 bar |
| Operating fluids: | Steam / Saturated Steam, Superheated Water, Gases, Vacuum |
FLOW RATES – P3W Series:
| Model Number | Pipe Size | DN | Flow coefficient Kv | |||||||
| mixer | distributor | |||||||||
| 3 “ 2 | 1 “ 2 | 2 “ 3 | 2 “ 1 | |||||||
| m3/h | l/min | m3/h | l/min | m3/h | l/min | m3/h | l/min | |||
| NC – Normally Closed | ||||||||||
| P3W-DIN1-10A | ⅜” | 10 | 1,8 | 30 | 1,93 | 32,17 | 1,67 | 27,84 | 2,18 | 36,34 |
| P3W-DIN1-15A | ½” | 15 | 3,47 | 57,85 | 3,5 | 58,35 | 3,46 | 57,68 | 3,6 | 60 |
| P3W-DIN1-20A | ¾” | 20 | 7,06 | 117,7 | 5,31 | 88,52 | 7,33 | 122,19 | 5,13 | 85,52 |
| P3W-DIN1-25A | 1″ | 25 | 13,9 | 231,7 | 9,2 | 153,36 | 10,73 | 178,87 | 9,63 | 160,53 |
| P3W-DIN1-32A | 1¼” | 32 | 20,6 | 343,4 | 15,1 | 251,72 | 17,1 | 285,06 | 16,1 | 268,4 |
| P3W-DIN1-40A | 1½” | 40 | 25,1 | 418,42 | 18,31 | 305,23 | 20,92 | 348,74 | 18,9 | 315,06 |
scrollable table
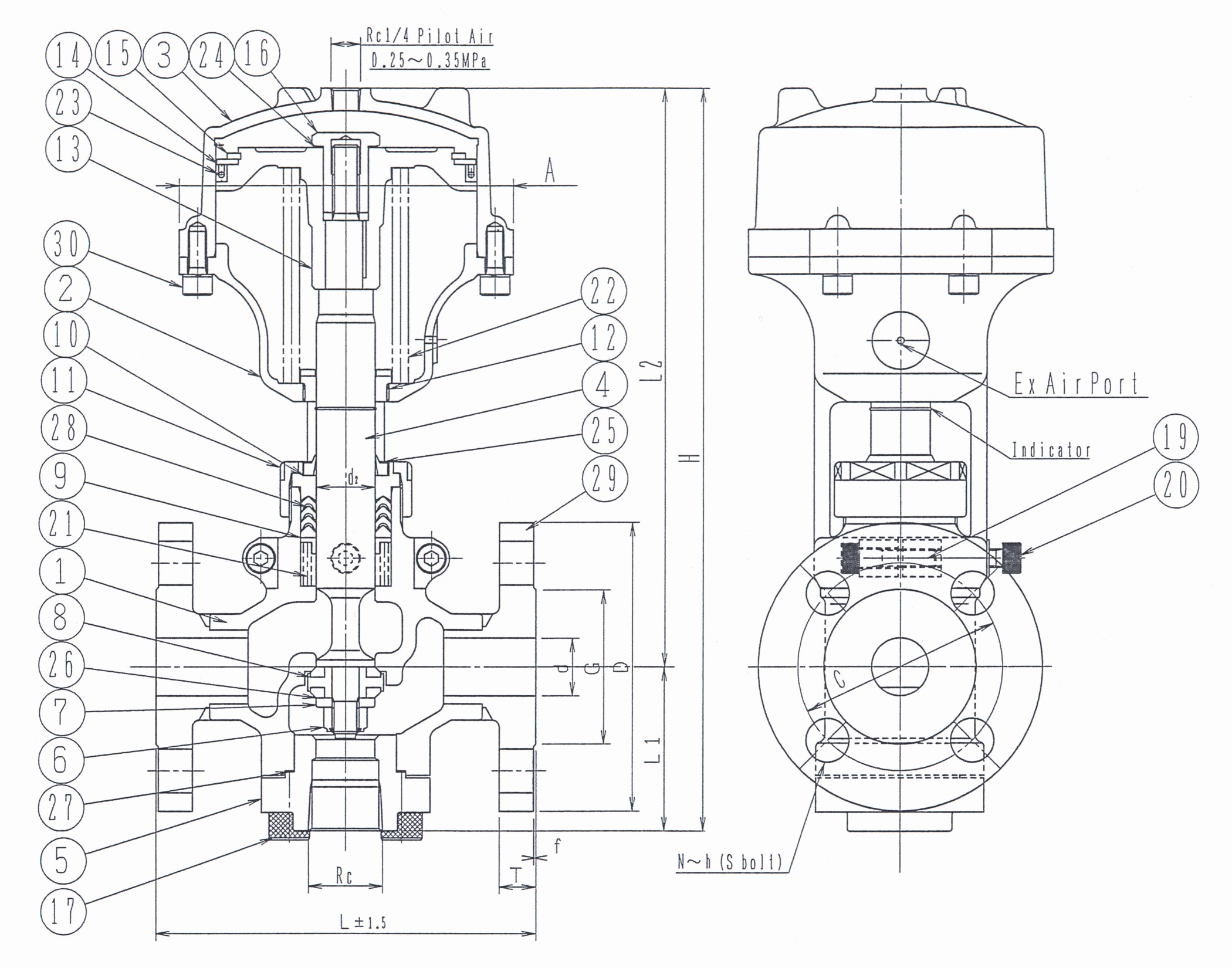
| No. | Part Name | Materials | No. | Part Name | Materials |
| 1 | Body | SCS13 = 1.4308 | 16 | Tension Nut | S25C = 1.1158 |
| 2 | Yoke Stand | FCD450 = GGG-40.3 | 17 | Cap Screw | SUS304 = 1.4301 |
| 3 | Cylinder | FCD450 = GGG-40.3 | 18 | ||
| 4 | Stem | SUS403 = 1.4000 | 19 | Cap Screw | SUS304 = 1.4301 |
| 5 | Lower Seat Flange | S25C = 1.1158 | 20 | Cap Screw | SUS304 = 1.4301 |
| 6 | U-Nut | SUS304 = 1.4301 | 21 | Packing Spring | SUS304-WPB |
| 7 | Guide Washer | SUS304 = 1.4301 | 22 | Spring | SUP6 |
| 8 | Disc Adapter | SUS304 = 1.4301 | 23 | Piston Ring | Teflon (PTFE) |
| 9 | Ring Washer | C3602 – Brass | 24 | Gasket | 562-1 |
| 10 | Gland | C3602 – Brass | 25 | Dust Seal | SUS304 + 763-1 |
| 11 | Gland Nut | S25C = 1.1158 | 26 | Disc Ring | Teflon (PTFE) |
| 12 | Guide Bushing | C3602 – Brass | 27 | Lower Seat Gasket | 562-1 |
| 13 | Piston | FCD450 = GGG-40.3 | 28 | Packing | 763-1 |
| 14 | Set Ring Plate | SS400 | 29 | Flange | S25C = 1.1158 |
| 15 | Retaining Ring | S60CM | 30 | Cap Screw | SUS304 = 1.4301 |
Model Selection / Dimensions:
scrollable table
| Model Number | DN | Rc | L | Flange Size (DIN-Flange) | L1 | L2 | H | A | Weight, kg | ||||||||
| 2-Way | 3-Way | D | C | G | T | f | Bolt | ||||||||||
| N | h | S | |||||||||||||||
| P2W-DIN1-08A | P3W-DIN1-08A | 8 | ¼” | 146 | |||||||||||||
| P2W-DIN1-10A | P3W-DIN1-10A | 10 | ⅜” | 146 | 90 | 60 | 40 | 16 | 2 | 4 | 14 | M12 | 50 | 165 | 215 | 93 | 4,3 |
| P2W-DIN1-15A | P3W-DIN1-15A | 15 | ½” | 146 | 95 | 65 | 45 | 16 | 2 | 4 | 14 | M12 | 50 | 196 | 262 | 100 | 5,7 |
| P2W-DIN1-20A | P3W-DIN1-20A | 20 | ¾” | 146 | 105 | 75 | 58 | 18 | 2 | 4 | 14 | M12 | 66 | 230 | 301 | 126 | 9 |
| P2W-DIN1-25A | P3W-DIN1-25A | 25 | 1″ | 167 | 115 | 85 | 68 | 18 | 2 | 4 | 14 | M12 | 71 | 250 | 343 | 147 | 12,8 |
| P2W-DIN1-32A | P3W-DIN1-32A | 32 | 1¼” | 190 | 140 | 100 | 78 | 18 | 2 | 4 | 18 | M16 | 92 | 295 | 387 | 189 | 18,8 |
| P2W-DIN1-40A | P3W-DIN1-40A | 40 | 1½” | 190 | 150 | 110 | 88 | 18 | 3 | 4 | 18 | M16 | 92 | 295 | 387 | 189 | 19,6 |
